RS130 I2S connection to
Gustard X30 DAC issue
I have HDMI cable connecting the units, I get sound out with configuration A on the 130 and option 1 on the DAC but the channels are reversed. I have tried option B under four options on the DAC but no sound at all from them.
Hi Ken’s and welcome. Does your Gustard have the ability to flip channels?
Hallo
I have my 150b connected to my X30 via USB, and I am very happy with.
Take a good cable it should do it
Thank you for reply, I did have the Eversolo T8 connected to the DAC And I found I2S was slightly better than USB connection also have Shanling ET3 transport connected via I2S
Hi Tony, thank you for reply. No, it doesn’t have that facility.
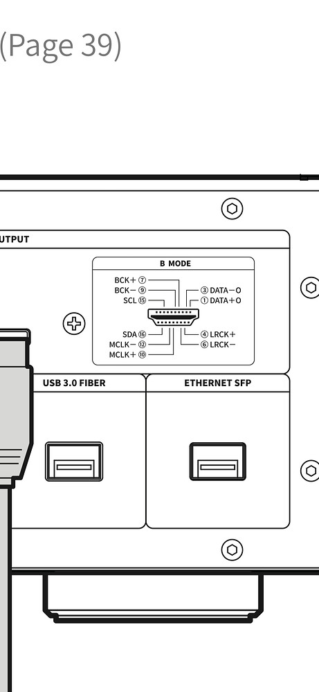
If this is happening with both PCM and DSD music and there is no way in either the source or the DAC to invert channels, then - unless you want to build an inverter for the I2S LRCLK signal line - you are out of luck I’m afraid.
Hi Tony, I have not tried DSD this is the connections on my DAC and the 130 thanks for reply.IMG_6497|461x1000
